产品名称:气动蝶阀
产品国际型号:D671-F16C (气动对夹式中线型铸钢蝶阀) 密封材料:四氟
产品雷曼森型号:
产品规格:执行器由铝合金板块打造,做了二次精细抛光处理,减小电磁干扰,气缸摩擦系数小,可以有效的延长阀门的寿命。橡胶阀座含胶率高达50%,密封性好,反复启闭无泄漏,阀体结构简单,活塞味齿条式结构,啮合精确传动平稳,输出扭矩恒定。体积小重量轻,安全稳定,操作灵巧便于安装,维修更加便捷。阀体由铸铁材料锻造,抗氧化耐磨损,能够很好地延长阀门的使用寿命。
| 产品名称 | 气动蝶阀 |
| 产品结构形式 | 垂直板式 |
| 驱动方式 | 气动 |
| 产品材质 | 铸铁 |
| 连接方式 | 对夹式 |
| 标准 | 国标 |
| 用途 | 开关 |
| 连接通道 | 二通 |
| 公称压力 | 1.6MPa |
| 适用介质 | 水,蒸汽,油品氧气天然气等气体液体半流体 |
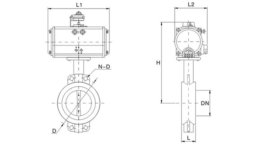
| 公称通径DN | L | L1 | L2 | H | D | N-D |
|---|---|---|---|---|---|---|
| 50 | 42 | 141/159 | 71/83 | 269/281 | 120 | 4-23 |
| 65 | 44.7 | 159/211 | 83/95 | 283/303 | 136.2 | 4-26.5 |
| 80 | 45.2 | 159/248 | 83/107 | 289/309 | 160 | 8-18 |
| 100 | 52.1 | 211/269 | 95/123 | 320/338 | 185 | 4-24.5 |
| 150 | 55.8 | 269/345 | 123/152 | 380/405 | 238 | 4-25 |
| 200 | 60.6 | 345/409 | 152/172 | 435/477 | 295 | 4-25 |
| 250 | 65.6 | 409/438 | 172/187 | 509/552 | 357 | 4-29 |







微信扫一扫